Date:2026-04-08 Categories:Product Subsitution Hits:402 From:Guangdong Youfeng Microelectronics Co., Ltd
CRD constant current diode, CRD constant current diode application, CRD product model, constant current diode
YFW Youfeng Microelectronics launches a full range of SOD-123FL, SMA, SMB packaged CRD constant current diodes
YFW Youfeng Micro Constant Current Diode CRD015A (B/D) - CRD080A (B/D) SMA/SMB/SOD-123FL Product Selection
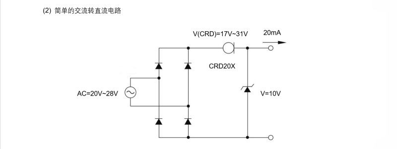
CRD is a diode that provides a constant current circuit for electronic devices, even if the power supply voltage fluctuates or the load experiences impedance fluctuations. CRD is used for current stabilization and limiting. Constant current diodes have constant current, protect circuits from voltage fluctuations, are simple to use, have good temperature stability, and are easy to modify current capacity. They are also small in size and low in power consumption.
The following is the application circuit of CRD constant current diode





Previous: YFW佑风微 MOSFET YFWG160N06NF PDFN5*6-8L Product substitution CSD18540Q5B
Next: YFW60N10AD 60A 100V TO-252 Printed YFW60N10AD Low Voltage N-channel MOS Tube YFW Youfeng Micro Brand