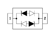
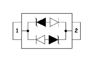
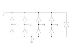
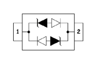
| Type | Datasheet | Circuit | Marking | Direction | PPP | VRWM | VBRMin | VBRMax | Cj | IPP | IR | VC | Package |
| W | V | V | V | pF | A | uA | V | ||||||
| Reset All | / | / | / |
Reset
|
Reset
OK
|
Reset
OK
|
Reset
OK
|
Reset
OK
|
Reset
OK
|
Reset
OK
|
Reset
OK
|
Reset
OK
|
Reset
|
| / | / | / | |||||||||||
| ESD3Z7.0 |
|
|
7A | Bi | 0.25 | 7 | 7.5 | 0 | 65 | 5 | 1 | 22.7 | SOD-332 |
| ESD1006B5V0 |
|
|
5F | Bi | 55 | 5 | 5.8 | 9.5 | 0.3 | 5.5 | 0.2 | 9 | DFN1006-2L |
| ESD1610D30 |
|
|
HH* | Bi | 2900 | 30 | 32 | 0 | 180 | 80 | 0.5 | 37 | DFN1610-2L |
| ESD3Z3.3C |
|
|
2M | Bi | 350 | 3.3 | 4 | 0 | 15 | 0.001 | 40 | 7.5 | SOD-323 |
| ESD3Z5.0C |
|
|
3M | Bi | 350 | 5 | 6 | 0 | 200 | 0.001 | 10 | 9.8 | SOD-323 |
| ESD3Z8.0C |
|
|
2C | Bi | 350 | 8 | 8.5 | 0 | 120 | 0.001 | 2 | 13.4 | SOD-323 |
| ESD3Z12C |
|
|
2D | Bi | 350 | 12 | 13.3 | 0 | 75 | 0.001 | 1 | 19 | SOD-323 |
| ESD3Z15C |
|
|
2J | Bi | 350 | 15 | 16.7 | 0 | 68 | 0.001 | 1 | 24 | SOD-323 |
| ESD3Z18C |
|
|
2K | Bi | 350 | 18 | 20 | 0 | 57 | 0.001 | 1 | 29 | SOD-323 |
| ESD3Z20C |
|
|
2L | Bi | 350 | 20 | 22.3 | 0 | 52 | 0.001 | 1 | 35 | SOD-323 |
| ESD3Z24C |
|
|
2H | Bi | 350 | 24 | 26.7 | 0 | 50 | 0.001 | 1 | 43 | SOD-323 |
| ESD3Z36C |
|
|
2N | Bi | 350 | 36 | 40 | 0 | 35 | 0.001 | 1 | 60 | SOD-323 |
| PESD0603B07 | / |
|
Uni | 8000 | 0.05 | 0.01 | 40 | 0603 | |||||
| ESD3Z7.0C |
|
|
2C | Bi | 300 | 7 | 7.5 | 0 | 60 | 20 | 0.5 | 10 | SOD-323 |
| ESD7VFBD322 |
|
|
08D | Bi | 450 | 7 | 8 | 12 | 100 | 22 | 1 | 15 | SOD-323 |
| BV03C |
|
|
CC | Bi | 350 | 3.3 | 4 | 0 | 0.8 | 0.001 | 20 | 13.9 | SOD-323 |
| BV05C |
|
|
AC | Bi | 350 | 5 | 6 | 0 | 0.8 | 0.001 | 5 | 18.3 | SOD-323 |
| BV08C |
|
|
BC | Bi | 350 | 8 | 8.5 | 0 | 0.8 | 0.001 | 2 | 18.5 | SOD-323 |
| BV12C |
|
|
DC | Bi | 350 | 12 | 13.3 | 0 | 0.8 | 0.001 | 1 | 28.6 | SOD-323 |
| BV15C |
|
|
EC | Bi | 350 | 15 | 16.7 | 0 | 0.8 | 0.001 | 1 | 31.8 | SOD-323 |
| BV18C |
|
|
FC | Bi | 350 | 18 | 20 | 0 | 0.8 | 0.001 | 1 | 45 | SOD-323 |
| BV20C |
|
|
GC | Bi | 350 | 20 | 22 | 0 | 0.8 | 0.001 | 1 | 45 | SOD-323 |
| BV24C |
|
|
HC | Bi | 350 | 24 | 26.7 | 0 | 0.8 | 0.001 | 1 | 56 | SOD-323 |
| ESD1610D24 |
|
|
24* | Bi | 3150 | 24 | 26 | 0 | 200 | 90 | 0.1 | 35 | DFN1610-2L |
| ESD1610D5V0 |
|
|
5W* | Bi | 2000 | 5 | 6 | 7.5 | 800 | 130 | 1 | 16 | DFN1610-2L |
| ESD3V3FD523 |
|
|
ZE | Bi | 300 | 3.3 | 4.5 | 0 | 150 | 20 | 0.5 | 15 | SOD-523 |
| PESD0603B20 |
|
|
YFW PESD0603B20 | Bi | 8 | 0.05 | 0.0001 | 40 | 0603 | ||||
| SD3.3C |
|
|
2M | Bi | 350 | 3.3 | 4 | 0 | 15 | 0 | 40 | 13 | SOD-323 |
| SD5.0C |
|
|
3M | Bi | 350 | 5 | 6 | 0 | 200 | 0 | 10 | 18 | SOD-323 |
| SD8.0C |
|
|
2C | Bi | 350 | 8 | 8.5 | 0 | 120 | 0 | 2 | 24 | SOD-323 |
| SD12C |
|
|
2D | Bi | 350 | 12 | 13.3 | 0 | 75 | 0 | 1 | 32 | SOD-323 |
| SD15C |
|
|
2J | Bi | 350 | 15 | 16.7 | 0 | 68 | 0 | 1 | 38 | SOD-323 |
| SD18C |
|
|
2K | Bi | 350 | 18 | 20 | 0 | 57 | 0 | 1 | 45 | SOD-323 |
| SD20C |
|
|
2L | Bi | 350 | 20 | 22.3 | 0 | 52 | 0 | 1 | 50 | SOD-323 |
| SD24C |
|
|
2H | Bi | 350 | 24 | 26.7 | 0 | 50 | 0 | 1 | 52 | SOD-323 |
| SD36C |
|
|
2N | Bi | 350 | 36 | 40 | 0 | 35 | 0 | 1 | 75 | SOD-323 |
| ESD4V5FBD323 |
|
|
D4 | Bi | 2900 | 4.5 | 4.6 | 6 | 480 | 160 | 1 | 16 | SOD-323 |
| AU0521PZ |
|
|
.H | Bi | 100 | 5 | 6 | 8 | 15 | 8 | 0.2 | 8 | DFN1006-2L |
| ESD8D3.3C |
|
|
Bi | 80 | 3.3 | 3.5 | 5 | 15 | 8 | 0.1 | 6.5 | DFN1006-2L | |
| ESD8D7.0C |
|
|
Bi | 72 | 7 | 7.6 | 9 | 15 | 6 | 0.1 | 9 | DFN1006-2L | |
| ESD9BZ5V0C |
|
|
C | Bi | 100 | 5 | 5.6 | 8.5 | 0.3 | 5.5 | 1 | 15 | DFN1006-2L |
| ESD0801PB |
|
|
Bi | 60 | 5 | 5.6 | 15 | 4 | 1 | 9.5 | DFN1006-2L | ||
| ESD1006B5V0F |
|
|
M* | Bi | 250 | 5 | 6 | 8 | 90 | 25 | 0.1 | 11 | DFN1006-2L |
| ESDUC2FD5VB |
|
|
Bi | 100 | 5 | 5.6 | 8.5 | 0.3 | 5.5 | 1 | 15 | DFN1006-2L | |
| ESD3Z3.3 |
|
|
03W | Uni | 350 | 3.3 | 4 | 105 | 1 | 1000 | 6.5 | SOD-323 | |
| ESD3Z5.0 |
|
|
ZA | Uni | 350 | 5 | 6 | 300 | 1 | 1000 | 9.8 | SOD-323 | |
| ESD3Z12 |
|
|
12W | Uni | 350 | 12 | 13.3 | 130 | 1 | 1000 | 19 | SOD-323 | |
| ESD3Z15 |
|
|
15W | Uni | 350 | 15 | 16.7 | 120 | 1 | 1000 | 24 | SOD-323 | |
| ESD3Z18 |
|
|
18W | Uni | 350 | 18 | 20 | 100 | 1 | 1000 | 29 | SOD-323 | |
| ESD3Z20 |
|
|
20W | Uni | 350 | 20 | 22.3 | 90 | 1 | 1000 | 35 | SOD-323 | |
| ESD3Z24 |
|
|
24W | Uni | 350 | 24 | 26.7 | 80 | 1 | 1000 | 43 | SOD-323 | |
| ESD3Z36 |
|
|
36W | Uni | 350 | 36 | 40 | 60 | 1 | 1000 | 60 | SOD-323 | |
| ESD3Z3.3 |
|
|
2M | Uni | 56 | 3.3 | 4.2 | 0.4 | 1 | 0.1 | 10 | SOD-323 | |
| ESD3Z5.0 |
|
|
Uni | 250 | 5 | 6 | 350 | 5 | 10 | 9.8 | SOD-323 | ||
| ESD3Z12 |
|
|
Uni | 250 | 12 | 13.3 | 150 | 5 | 1 | 19 | SOD-323 | ||
| ESD7VFD323 |
|
|
Q7 | Uni | 2800 | 7 | 8 | 10 | 500 | 115 | 200 | 25 | SOD-323 |
| ESD3Z08C |
|
|
2C | Bi | 350 | 8 | 8.5 | 120 | 1 | 2 | 13.4 | SOD-323 | |
| ESD3Z12C |
|
|
2D | Bi | 350 | 12 | 13.3 | 75 | 1 | 1 | 19 | SOD-323 | |
| ESD3Z15C |
|
|
2J | Bi | 350 | 15 | 16.7 | 68 | 1 | 1 | 24 | SOD-323 | |
| ESD3Z18C |
|
|
2K | Bi | 350 | 18 | 20 | 57 | 1 | 1 | 29 | SOD-323 | |
| ESD3Z20C |
|
|
2L | Bi | 350 | 20 | 22.3 | 52 | 1 | 1 | 35 | SOD-323 | |
| ESD3Z24C |
|
|
2H | Bi | 350 | 24 | 26.7 | 50 | 1 | 1 | 43 | SOD-323 | |
| ESD3Z36C |
|
|
2N | Bi | 350 | 36 | 40 | 35 | 1 | 1 | 60 | SOD-323 | |
| ESD3Z3.3C |
|
|
2M | Bi | 100 | 3.3 | 4.2 | 0.25 | 1 | 0.1 | 12 | SOD-323 | |
| ESD3Z5.0C |
|
|
3M | Bi | 200 | 5 | 5.6 | 25 | 5 | 1 | 11.6 | SOD-323 | |
| ESD3Z12CA |
|
|
WBC | Bi | 350 | 12 | 13.3 | 15.5 | 100 | 15 | 1 | 24 | SOD-323 |
| ESDC24C-B |
|
|
24B | Bi | 500 | 24 | 26.7 | 20 | 6 | 1 | 37 | SOD-323 | |
| GBLC03C |
|
|
CC | Bi | 350 | 3.3 | 4 | 0.8 | 1 | 20 | 7.5 | SOD-323 | |
| GBLC05C |
|
|
AC | Bi | 350 | 5 | 6 | 0.8 | 1 | 5 | 9.8 | SOD-323 | |
| GBLC08C |
|
|
BC | Bi | 350 | 8 | 8.5 | 0.8 | 1 | 2 | 13.4 | SOD-323 | |
| GBLC12C |
|
|
DC | Bi | 350 | 12 | 13.3 | 0.8 | 1 | 1 | 19 | SOD-323 | |
| GBLC15C |
|
|
EC | Bi | 350 | 15 | 16.7 | 0.8 | 1 | 1 | 24 | SOD-323 | |
| GBLC18C |
|
|
FC | Bi | 350 | 18 | 20 | 0.8 | 1 | 1 | 35 | SOD-323 | |
| GBLC20C |
|
|
GC | Bi | 350 | 20 | 22 | 0.8 | 1 | 1 | 38 | SOD-323 | |
| GBLC24C |
|
|
HC | Bi | 350 | 24 | 26.7 | 0.8 | 1 | 1 | 43 | SOD-323 | |
| ESD5VUBD523 |
|
|
L | Bi | 100 | 5 | 6 | 0.35 | 4.5 | 0.1 | 22 | SOD-523 | |
| ESD5Z2.5 |
|
|
ZD | Uni | 200 | 2.5 | 4 | 145 | 11 | 6 | 6.5 | SOD-523 | |
| ESD5Z3.3 |
|
|
ZE | Uni | 200 | 3.3 | 5 | 105 | 11.2 | 0.05 | 8.4 | SOD-523 | |
| ESD5Z5.0 |
|
|
ZF | Uni | 200 | 5 | 6.2 | 80 | 9.4 | 0.05 | 11.6 | SOD-523 | |
| ESD5Z6.0 |
|
|
ZG | Uni | 200 | 6 | 6.8 | 70 | 8.8 | 0.05 | 12.4 | SOD-523 | |
| ESD5Z7.0 |
|
|
ZH | Uni | 200 | 7 | 7.5 | 65 | 8.8 | 0.01 | 13.5 | SOD-523 | |
| ESD5Z3.3C |
|
|
B | Bi | 96 | 3.3 | 3.5 | 5 | 20 | 1 | 0.1 | 7 | SOD-523 |
| ESD5Z5.0C |
|
|
5C | Bi | 200 | 5 | 5.6 | 7.8 | 25 | 9.4 | 1 | 11.6 | SOD-523 |
| ESD5Z12 |
|
|
ZM | Uni | 250 | 12 | 13.3 | 150 | 5 | 1 | 19 | SOD-523 | |
| ESD5Z24 |
|
|
24 | Uni | 24 | 26 | 50 | 1 | 1 | 35 | SOD-523 | ||
| ESD5Z36 |
|
|
ZS | Uni | 240 | 36 | 40 | 48 | 30 | 3 | 1 | 80 | SOD-523 |
| ESD5Z36C |
|
|
36 | Bi | 240 | 36 | 40 | 48 | 30 | 3 | 1 | 80 | SOD-523 |
| ESD3V3FT233 |
|
|
3M2 | Uni | 350 | 3.3 | 4 | 200 | 25 | 1 | 15 | SOT-23 | |
| ESD3V3FBT233 |
|
|
3B2 | Bi | 350 | 3.3 | 4 | 100 | 25 | 1 | 15 | SOT-23 | |
| ESD5VFT233 |
|
|
5M2 | Uni | 350 | 5 | 6 | 150 | 25 | 1 | 16 | SOT-23 | |
| ESD5VFBT233 |
|
|
5B2 | Bi | 350 | 5 | 6 | 75 | 25 | 1 | 16 | SOT-23 | |
| ESD8VFT233 |
|
|
8M2 | Uni | 350 | 8 | 9 | 70 | 20 | 1 | 20 | SOT-23 | |
| ESD8VFBT233 |
|
|
8B2 | Bi | 350 | 8 | 9 | 40 | 20 | 1 | 20 | SOT-23 | |
| ESD12VFT233 |
|
|
AM2 | Uni | 350 | 12 | 13.3 | 75 | 15 | 1 | 24 | SOT-23 | |
| ESD12VFBT233 |
|
|
AB2 | Bi | 350 | 12 | 13.3 | 40 | 15 | 1 | 24 | SOT-23 | |
| ESD15VFT233 |
|
|
BM2 | Uni | 350 | 15 | 16.7 | 45 | 12 | 1 | 32 | SOT-23 | |
| ESD15VFBT233 |
|
|
BB2 | Bi | 350 | 15 | 16.7 | 25 | 12 | 1 | 32 | SOT-23 | |
| ESD18VFT233 |
|
|
EM2 | Uni | 350 | 18 | 19 | 30 | 10 | 1 | 34 | SOT-23 | |
| ESD18VFBT233 |
|
|
EB2 | Bi | 350 | 18 | 19 | 30 | 10 | 1 | 34 | SOT-23 | |
| ESD20VFT233 |
|
|
FM2 | Uni | 350 | 20 | 23.5 | 30 | 8 | 1 | 33 | SOT-23 | |
| ESD20VFBT233 |
|
|
FB2 | Bi | 350 | 20 | 23.5 | 30 | 8 | 1 | 33 | SOT-23 | |
| ESD24VFT233 |
|
|
CM2 | Uni | 350 | 24 | 26.7 | 25 | 7 | 1 | 42 | SOT-23 | |
| ESD24VFBT233 |
|
|
CB2 | Bi | 350 | 24 | 26.7 | 25 | 7 | 1 | 42 | SOT-23 | |
| ESD36VFT233 |
|
|
DM2 | Uni | 350 | 36 | 40 | 15 | 6 | 1 | 60 | SOT-23 | |
| ESD36VFBT233 |
|
|
DB2 | Bi | 350 | 36 | 40 | 15 | 6 | 1 | 60 | SOT-23 | |
| ESD5VUT236 | / | / | C16** | Bi | 45 | 5 | 6.8 | 0.42 | 3.5 | 5 | 10 | SOT-23-6L | |
| NUP2105L |
|
|
27E | Bi | 450 | 24 | 26.7 | 25 | 8 | 0.2 | 38 | SOT-23 | |
| SM03C |
|
|
Bi | 350 | 3.3 | 4 | 450 | 1 | 40 | 7.5 | SOT-23 | ||
| SM05C |
|
|
Bi | 350 | 5 | 6 | 200 | 1 | 10 | 9.8 | SOT-23 | ||
| SM08C |
|
|
Bi | 350 | 8 | 8.5 | 120 | 1 | 2 | 13.4 | SOT-23 | ||
| SM12C |
|
|
Bi | 350 | 12 | 13.3 | 75 | 1 | 1 | 19 | SOT-23 | ||
| SM15C |
|
|
Bi | 350 | 15 | 16.7 | 68 | 1 | 1 | 24 | SOT-23 | ||
| SM18C |
|
|
Bi | 350 | 18 | 20 | 57 | 1 | 1 | 29 | SOT-23 | ||
| SM20C |
|
|
Bi | 350 | 20 | 22.3 | 52 | 1 | 1 | 35 | SOT-23 | ||
| SM24C |
|
|
Bi | 350 | 24 | 26.7 | 50 | 1 | 1 | 43 | SOT-23 | ||
| SM36C |
|
|
Bi | 350 | 36 | 40 | 35 | 1 | 1 | 60 | SOT-23 | ||
| SM05 |
|
|
M05 | Uni | 300 | 5 | 6 | 350 | 1 | 20 | 9.8 | SOT-23 | |
| SM24C |
|
|
C24 | Bi | 500 | 24 | 26 | 63 | 1 | 1 | 43 | SOT-23 | |
| SM712 |
|
|
Bi | 400 | 12 | 13.3 | 75 | 5 | 1 | 20 | SOT-23 | ||
| ESD0603B3V3A |
|
|
O3 | Bi | 54 | 3.3 | 4 | 0.25 | 9 | 1 | 6 | DFN0603-2L | |
| ESD0603B3V3B |
|
|
C3 | Bi | 60 | 3.3 | 3.7 | 10 | 7 | 0.1 | 5.5 | DFN0603-2L | |
| ESD0603B5V0A |
|
|
O5 | Bi | 30 | 5 | 5.5 | 12 | 0.25 | 4.5 | 1 | 6.5 | DFN0603-2L |
| ESD0603B5V0B |
|
|
B5 | Bi | 60 | 5 | 9 | 11.8 | 0.4 | 3.5 | 0.1 | 15 | DFN0603-2L |
| ESD0603B5V0C |
|
|
A5. | Bi | 70 | 5 | 5.6 | 8.4 | 15 | 7 | 0.1 | 6 | DFN0603-2L |
| ESD1006B3V3A |
|
|
3A | Bi | 110 | 3.3 | 5.3 | 7 | 0.3 | 1 | 0.1 | 11 | DFN1006-2L |
| ESD1006B3V3B |
|
|
3B | Bi | 110 | 3.3 | 3.5 | 6.45 | 10 | 8 | 0.1 | 6 | DFN1006-2L |
| ESD1006B3V3C |
|
|
3C | Bi | 80 | 3.3 | 4.5 | 7.5 | 12 | 8.5 | 0.1 | 5 | DFN1006-2L |
| ESD1006B4V5 |
|
|
45 | Bi | 315 | 4.5 | 5 | 6.5 | 80 | 35 | 1 | 6 | DFN1006-2L |
| ESD1006B5V0A |
|
|
5T | Bi | 110 | 5 | 6 | 9.5 | 0.3 | 5 | 0.1 | 10 | DFN1006-2L |
| ESD1006B5V0B |
|
|
5A | Bi | 40 | 5 | 5.6 | 9 | 3.5 | 2.5 | 0.1 | 13 | DFN1006-2L |
| ESD1006B5V0C |
|
|
PB | Bi | 80 | 5 | 5.6 | 8.4 | 15 | 8 | 0.1 | 6 | DFN1006-2L |
| ESD1006B5V0D |
|
|
PB | Bi | 80 | 5 | 5.6 | 8.4 | 15 | 8 | 0.1 | 10 | DFN1006-2L |
| ESD1006B5V0E |
|
|
5E | Bi | 100 | 5 | 5.6 | 4 | 5 | 1 | 12 | DFN1006-2L | |
| ESD1006B7V0 |
|
|
.T2 | Bi | 80 | 7 | 7.5 | 8.6 | 15 | 8 | 0.1 | 8 | DFN1006-2L |
| ESD1006B12A |
|
|
A2 | Bi | 150 | 12 | 14 | 15 | 8 | 8 | 0.1 | 19 | DFN1006-2L |
| ESD1006B15 |
|
|
15S | Bi | 80 | 15 | 15.5 | 18.5 | 10 | 3.5 | 0.1 | 20 | DFN1006-2L |
| ESD1006D18 |
|
|
18 | Uni | 150 | 18 | 19 | 24 | 30 | 5 | 0.1 | 20 | DFN1006-2L |
| ESD1006D24 |
|
|
24 | Uni | 380 | 24 | 25.5 | 31.5 | 52 | 9 | 0.1 | 33 | DFN1006-2L |
| ESD2020D4V5 |
|
|
T04** | Uni | 5500 | 4.5 | 5 | 7 | 3000 | 250 | 1 | 20 | DFN2020-3L |
| ESD2020D12V |
|
|
T12 | Uni | 4500 | 24 | 13.5 | 15.5 | 900 | 180 | 1 | 25 | DFN2020-3L |
| ESD2020D24V | / | / | T24 | Uni | 5100 | 24 | 26 | 30 | 750 | 200 | 0.5 | 30 | DFN2020-3L |
| ESD2510D3V3B |
|
|
32 | Uni | 35 | 3.3 | 4 | 0.55 | 7 | 0.5 | 2 | DFN2510-10L | |
| ESD2510D5V0A |
|
|
5A. | Uni | 60 | 5 | 6 | 0.3 | 5 | 1 | 8.5 | DFN2510-10L | |
| ESD2510D5V0B |
|
|
0524P | Uni | 63 | 5 | 6 | 0.22 | 4.5 | 0.1 | 9.8 | DFN2510-10L | |
| ESD5VAFBD723 |
|
|
H | Bi | 50 | 5 | 5.8 | 8.3 | 12 | 5 | 0.1 | 10 | SOD-723 |
| ESD5VFBD923 |
|
|
C | Bi | 80 | 5 | 5.6 | 15 | 8 | 0.1 | 10 | SOD-923 | |
| ESD5VFT563 |
|
|
E5C | Bi | 90 | 5 | 6 | 20 | 7.5 | 50 | 12 | SOT-523 | |
| ESD0402C17 |
|
|
K | Bi | 0.2 | 17 | 13.3 | 16 | 6.5 | 3.5 | 1 | 24 | 0402 |
| ESD1610B5V0C |
|
|
5H | Bi | 2280 | 5 | 5.6 | 8 | 550 | 120 | 0.1 | 19 | DFN1610-2L |
| ESDA6V1F4T353 |
|
|
WE | Bi | 150 | 5 | 6.1 | 7.2 | 90 | 0.2 | 1000 | 90 | SOT-353 |
| ESDA6V8AV6 |
|
|
.E2 | Bi | 80 | 5 | 6 | 10 | 4 | 0.1 | 14 | SOT-563 | |
| ESDU0501DW |
|
|
Uni | 200 | 5 | 6 | 160 | 16 | 1 | 9.8 | SOT-363 | ||
| PESD3V3L4UG |
|
|
WE | Bi | 150 | 5 | 3.3 | 7.2 | 90 | 0.2 | 1000 | 1.25 | SOT-353 |
| SMF05C |
|
|
F5C | Bi | 100 | 5 | 6 | 8.5 | 60 | 8 | 5 | 9 | SOT-363 |
| SR05 |
|
|
R05 | Uni | 600 | 5 | 6 | 4 | 30 | 0.5 | 13 | SOT-143 | |
| SR70 |
|
|
R70 | Uni | 350 | 70 | 85 | 2 | 21 | 0.5 | 3 | SOT-143 | |
| SRV05-4 |
|
|
Uni | 300 | 5 | 6 | 3 | 12 | 5 | 12.5 | SOT23-6 | ||
| PESD0201B03 |
|
|
Bi | 3.3 | 0.05 | 0.0001 | 40 | 0201 | |||||
| PESD0201B05 |
|
|
Bi | 5 | 0.05 | 0.0001 | 40 | 0201 | |||||
| PESD0201B12 |
|
|
Bi | 12 | 0.05 | 0.0001 | 40 | 0201 | |||||
| PESD0201B15 |
|
|
Bi | 15 | 0.05 | 0.0001 | 40 | 0201 | |||||
| PESD0201B16 |
|
|
Bi | 16 | 0.05 | 0.0001 | 40 | 0201 | |||||
| PESD0201B18 |
|
|
Bi | 18 | 0.05 | 0.0001 | 40 | 0201 | |||||
| PESD0201B24 |
|
|
Bi | 24 | 0.05 | 0.0001 | 40 | 0201 | |||||
| PESD0402AS05 |
|
|
Bi | 5 | 0.05 | 0.0001 | 40 | 0402 | |||||
| PESD0402AS12 |
|
|
Bi | 5 | 0.05 | 0.0001 | 40 | 0402 | |||||
| PESD0402AS18 |
|
|
Bi | 18 | 0.05 | 0.0001 | 40 | 0402 | |||||
| PESD0402AS24 |
|
|
Bi | 24 | 0.05 | 0.0001 | 40 | 0402 | |||||
| PESD0402B03 |
|
|
Bi | 3.3 | 0.05 | 0.0001 | 40 | 0402 | |||||
| PESD0402B05 |
|
|
Bi | 5 | 0.05 | 0.0001 | 40 | 0402 | |||||
| PESD0402B07 |
|
|
Bi | 7 | 0.05 | 0.0001 | 40 | 0402 | |||||
| PESD0402B09 |
|
|
Bi | 8 | 0.05 | 0.0001 | 40 | 0402 | |||||
| PESD0402B12 |
|
|
Bi | 12 | 0.05 | 0.0001 | 40 | 0402 | |||||
| PESD0402B14 |
|
|
Bi | 14 | 0.05 | 0.0001 | 40 | 0402 | |||||
| PESD0402B16 |
|
|
Bi | 16 | 0.05 | 0.0001 | 40 | 0402 | |||||
| PESD0402B18 |
|
|
Bi | 18 | 0.05 | 0.0001 | 40 | 0402 | |||||
| PESD0402B20 |
|
|
Bi | 20 | 0.05 | 0.0001 | 40 | 0402 | |||||
| PESD0402B24 |
|
|
Bi | 24 | 0.05 | 0.0001 | 40 | 0402 | |||||
| PESD0603AS18 |
|
|
Bi | 18 | 0.05 | 0.0001 | 40 | 0603 | |||||
| PESD0603AS24 |
|
|
Bi | 24 | 0.05 | 0.0001 | 40 | 0603 | |||||
| PESD0603B03 |
|
|
Bi | 3.3 | 0.05 | 0.0001 | 40 | 0603 | |||||
| PESD0603B05 |
|
|
Bi | 5 | 0.05 | 0.0001 | 40 | 0603 | |||||
| PESD0603B09 |
|
|
Bi | 9 | 0.05 | 0.0001 | 40 | 0603 | |||||
| PESD0603B12 |
|
|
Bi | 12 | 0.05 | 0.0001 | 40 | 0603 | |||||
| PESD0603B14 |
|
|
Bi | 14 | 0.05 | 0.0001 | 40 | 0603 | |||||
| PESD0603B15 |
|
|
Bi | 15 | 0.05 | 0.0001 | 40 | 0603 | |||||
| PESD0603B16 |
|
|
Bi | 16 | 0.05 | 0.0001 | 40 | 0603 | |||||
| PESD0603B18 |
|
|
Bi | 18 | 0.05 | 0.0001 | 40 | 0603 | |||||
| PESD0603B24 |
|
|
Bi | 24 | 0.05 | 0.0001 | 40 | 0603 | |||||
| PESD0603B30 |
|
|
Bi | 30 | 0.05 | 0.0001 | 40 | 0603 | |||||
| PESD2510D05 |
|
|
Bi | 5 | 0.05 | 0.0001 | 40 | 2510 | |||||
| PESD2510D12 |
|
|
Bi | 12 | 0.05 | 0.0001 | 40 | DFN2510 |